


JML精密電位器3362S技術參數
電位器性能:
阻值范圍(Ohms) : 10~1M
阻值偏差: ±10%
阻值變化特征: B
終端電阻: ≤1%R or 2Ω
接觸電阻變化: ≤3%R or 3Ω
絕緣電阻: R1≥1GΩ
耐電壓:101.3Kpa 500V,8.5Kpa 350V
有效電行程 : 210°±10°
JML精密電位器3362S環境特征:
額定功率(最高工作電壓300V):+70℃ 0.5W,+125℃ 0w
工作溫度范圍: -55℃ ~+125℃
溫度系數: ±200ppm/℃
溫度變化:△R≤±2%R,△(Uab/Uac)R≤±2%
碰撞:390m/s2,4000次 , △R≤±2%R
振動:10~2000Hz,0.75mm ,6h△R≤±1%R,△(Uab/Uac)≤±2%
氣候順序: △R≤±3%R,R1≥100MΩ
70℃電氣耐久性:0.5W,1000h △R≤±3%R
機械耐久性:50周,△R≤±3%R
穩態濕熱:△R≤±3%R,R1≥100MΩ
JML精密電位器3362S物理特征:
總機械行程: 250°±10°
起動力矩: ≤20mN?m
止檔力矩: ≥50 mN?m
標準包裝 :50pcs/管
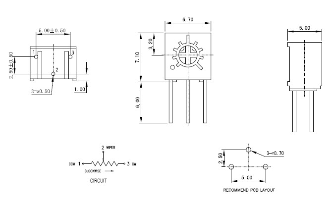
JML精密電位器3362S參考圖紙
單位:mm


Copyright © 廣東精密龍電子科技有限公司 版權所有 粵ICP備17035144號 粵公網安備44130202001184號
全國服務電話:0755-83205533 傳真:0755-83761155
公司地址:深圳市龍崗區龍崗大道8288號深圳大運軟件小鎮45棟2樓

